上海元冲机床有限公司 上海元冲机床有限公司 上海元冲机床有限公司

产品中心

Product display

Q35Y-16液压联合冲剪机

产品介绍

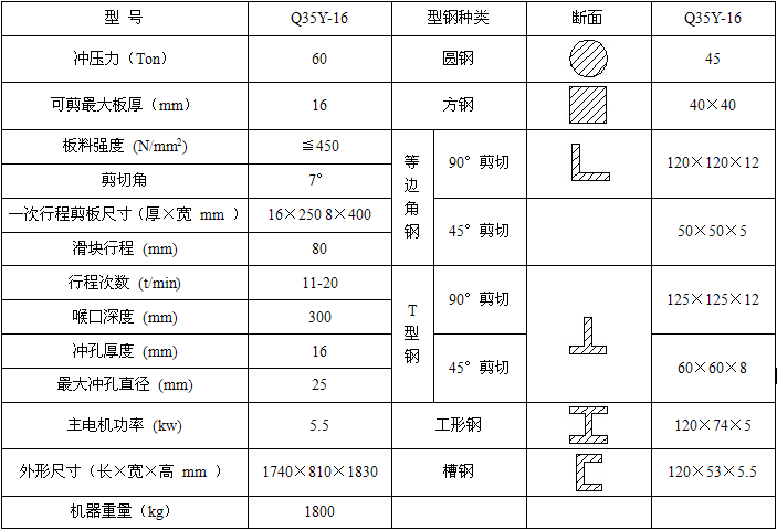
产品参数

  • 名称:多功能液压联合冲剪机

    型号:Q35Y-16

    冲压力:60(Ton)

    可剪最大板厚:16(mm)

    板材强度:≤450(KN/CM)
    一次行程剪板尺寸:16x250 8x400(厚X宽mm)

    滑块行程:80(mm)

    行程次数:11-20(t/min)

    喉口深度:300(mm)

    冲孔厚度:16(mm)

    最大冲孔直径:25(mm)

    主电机功率:5.5KW

    外形尺寸:1700x750x1800(mm)

    机器重量:1800(kg)


产品说明


该机器采用液压传动,是目前国内联合冲剪机最新产品,能对板材、方钢、圆钢、角钢、槽钢、

工字钢进行剪切、冲孔、模剪,并配备剪切挡料装置。


联合冲剪机Q35Y-16参数:





 





在线咨询 x

QQ:



联系人:陶先生

电话:13661917174

手机:15026623161

邮箱:tao@hycmt.com

上海元冲机床有限公司